WN Flange Sizes & Weights (EN 1092)
EN 1092-1 Weld Neck Flange Dimensions and Weights
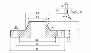
What Is a “Type 11” EN 1092-1 Weld Neck Flange?
“Type 11” according to EN 1092-1 designates a weld neck flange, characterized by a long tapered hub that transitions smoothly from the flange to the pipe diameter. The flange is butt-welded to the pipe, creating a continuous, high-integrity connection. EN 1092-1 is a European standard specifying requirements for circular steel flanges ranging from PN 2.5 to PN 400 and sizes up to DN 4000.
| Feature | Description |
|---|---|
| Design | Tapered hub reduces stress concentrations; bore matches pipe ID |
| Connection | Single butt weld to pipe |
| Face types | Raised Face (RF) for higher pressures; Flat Face (FF) for lower pressures |
| Materials | Carbon steel, alloy steel, stainless steel per EN 1092-1 |
| Sizes | DN 15 to DN 3600 |
| Pressure ratings | PN 6 to PN 400 |
Advantages
| Advantage | Description |
|---|---|
| Durability | Strong connection that withstands significant stress and high impact |
| Leak prevention | Bore matching minimizes turbulence; high-integrity butt weld prevents leaks |
| Versatility | Suitable for various pressures, temperatures, and demanding applications |
Applications
Weld neck flanges are common in oil and gas pipelines, petrochemical plants, power generation facilities, and processes involving high pressure and temperatures. The weld neck design is preferred for critical service conditions where connection integrity must be maintained.
Dimensions and Weights of EN 1092-1 WN Flanges
WN Flange PN 6
PN 6 weld neck flange dimensions (EN 1092-1 type 11) with stud metric bolts and nuts requirements (all sizes are in millimeters unless otherwise specified)

| DN | d1 | k | D | b | h1 | d3 | s | r | h2 | d4 | f | d2 | Thread | Bolt Holes | Weight (KG) |
|---|---|---|---|---|---|---|---|---|---|---|---|---|---|---|---|
| 15 | 21,3 | 55 | 80 | 12 | 30 | 30 | 2,00 | 4 | 6 | 40 | 2 | 11 | M10 | 4 | 0,408 |
| 20 | 26,9 | 65 | 90 | 14 | 32 | 38 | 2,30 | 4 | 6 | 50 | 2 | 11 | M10 | 4 | 0,621 |
| 25 | 33,7 | 75 | 100 | 14 | 35 | 42 | 2,60 | 4 | 6 | 60 | 2 | 11 | M10 | 4 | 0,762 |
| 32 | 42,4 | 90 | 120 | 14 | 35 | 55 | 2,60 | 6 | 6 | 70 | 2 | 14 | M12 | 4 | 1,110 |
| 40 | 48,3 | 100 | 130 | 14 | 38 | 62 | 2,60 | 6 | 7 | 80 | 3 | 14 | M12 | 4 | 1,260 |
| 50 | 60,3 | 110 | 140 | 14 | 38 | 74 | 2,90 | 6 | 8 | 90 | 3 | 14 | M12 | 4 | 1,430 |
| 65 | 76,1 | 130 | 160 | 14 | 38 | 88 | 2,90 | 6 | 9 | 110 | 3 | 14 | M12 | 4 | 1,770 |
| 80 | 88,9 | 150 | 190 | 16 | 42 | 102 | 3,20 | 8 | 10 | 128 | 3 | 18 | M16 | 4 | 2,880 |
| 100 | 114,3 | 170 | 210 | 16 | 45 | 130 | 3,60 | 8 | 10 | 148 | 3 | 18 | M16 | 4 | 3,410 |
| 125 | 139,7 | 200 | 240 | 18 | 48 | 155 | 4,00 | 8 | 10 | 178 | 3 | 18 | M16 | 8 | 4,650 |
| 150 | 168,3 | 225 | 265 | 18 | 48 | 184 | 4,50 | 10 | 12 | 202 | 3 | 18 | M16 | 8 | 5,500 |
| 200 | 219,1 | 280 | 320 | 20 | 55 | 236 | 6,30 | 10 | 15 | 258 | 3 | 18 | M16 | 8 | 8,600 |
| 250 | 273,0 | 335 | 375 | 22 | 60 | 290 | 6,30 | 12 | 15 | 312 | 3 | 18 | M16 | 12 | 11,700 |
| 300 | 323,9 | 395 | 440 | 22 | 62 | 342 | 7,10 | 12 | 15 | 365 | 4 | 22 | M20 | 12 | 15,300 |
| 350 | 355,6 | 445 | 490 | 22 | 62 | 385 | 7,10 | 12 | 15 | 415 | 4 | 22 | M20 | 12 | 20,300 |
| 400 | 406,4 | 495 | 540 | 22 | 65 | 438 | 7,10 | 12 | 15 | 465 | 4 | 22 | M20 | 16 | 23,100 |
| 450 | 457,0 | 550 | 595 | 22 | 65 | 492 | 7,10 | 12 | 15 | 520 | 4 | 22 | M20 | 16 | 27,000 |
| 500 | 508,0 | 600 | 645 | 24 | 68 | 538 | 7,10 | 12 | 15 | 570 | 4 | 22 | M20 | 20 | 30,800 |
| 600 | 610,0 | 705 | 755 | 30 | 70 | 640 | 7,10 | 12 | 16 | 670 | 5 | 26 | M24 | 20 | 44,000 |
| 700 | 711,0 | 810 | 860 | 30 | 76 | 740 | 8,00 | 12 | 16 | 775 | 5 | 26 | M24 | 24 | 53,700 |
| 800 | 813,0 | 920 | 975 | 30 | 76 | 842 | 8,00 | 12 | 16 | 880 | 5 | 30 | M27 | 24 | 64,400 |
| 900 | 914,0 | 1020 | 1075 | 34 | 78 | 942 | 8,00 | 12 | 16 | 980 | 5 | 30 | M27 | 24 | 79,200 |
| 1000 | 1016,0 | 1120 | 1175 | 38 | 82 | 1045 | 8,00 | 16 | 16 | 1080 | 5 | 30 | M27 | 28 | 98,600 |
| 1200 | 1219,0 | 1340 | 1405 | 42 | 104 | 1248 | 8,80 | 16 | 20 | 1295 | 5 | 33 | M30 | 32 | 152,000 |
| 1400 | 1422,0 | 1560 | 1630 | 56 | 114 | 1452 | 8,80 | 16 | 20 | 1510 | 5 | 36 | M33 | 36 | 246,000 |
| 1600 | 1626,0 | 1760 | 1830 | 63 | 119 | 1655 | 10,00 | 16 | 20 | 1710 | 5 | 36 | M33 | 40 | 309,000 |
| 1800 | 1829,0 | 1970 | 2045 | 69 | 133 | 1855 | 11,00 | 16 | 20 | 1920 | 5 | 39 | M36 | 44 | 400,000 |
| 2000 | 2032,0 | 2180 | 2265 | 74 | 146 | 2058 | 12,50 | 16 | 25 | 2125 | 5 | 42 | M39 | 48 | 516,000 |
| 2200 | 2235,0 | 2390 | 2475 | 81 | 154 | 2260 | 14,00 | 18 | 25 | 2335 | 5 | 42 | M39 | 52 | 645,000 |
| 2400 | 2438,0 | 2600 | 2685 | 87 | 168 | 2462 | 15,00 | 18 | 25 | 2545 | 5 | 42 | M39 | 56 | 786,000 |
| 2600 | 2620,0 | 2810 | 2905 | 91 | 175 | 2665 | 16,00 | 18 | 25 | 2750 | 5 | 48 | M45 | 60 | 1.021,000 |
| 2800 | 2820,0 | 3020 | 3115 | 101 | 188 | 2865 | 17,00 | 18 | 30 | 2960 | 5 | 48 | M45 | 64 | 1.256,000 |
| 3000 | 3020,0 | 3220 | 3315 | 102 | 192 | 3068 | 20,00 | 18 | 30 | 3160 | 5 | 48 | M45 | 68 | 1.404,000 |
| 3200 | 3220,0 | 3430 | 3525 | 106 | 202 | 3272 | 20,00 | 20 | 30 | 3370 | 5 | 48 | M45 | 72 | 1.617,000 |
| 3400 | 3420,0 | 3640 | 3735 | 110 | 214 | 3475 | 22,00 | 20 | 35 | 3580 | 5 | 48 | M45 | 76 | 1.877,000 |
| 3600 | 3620,0 | 3860 | 3970 | 124 | 229 | 3678 | 22,00 | 20 | 35 | 3790 | 5 | 56 | M52 | 80 | 2.366,000 |
WN Flange PN 10
PN 10 weld neck flange dimensions (EN 1092-1 type 11) with stud metric bolts and nuts requirements (all sizes are in millimeters unless otherwise specified)

| DN | d1 | k | D | b | h1 | d3 | s | r | h2 | d4 | f | d2 | Thread | Bolt Holes | Weight (KG) |
|---|---|---|---|---|---|---|---|---|---|---|---|---|---|---|---|
| 200 | 219,1 | 295 | 340 | 24 | 62 | 234 | 6,30 | 10 | 16 | 268 | 3 | 22 | M20 | 8 | 11,600 |
| 250 | 273,0 | 350 | 395 | 26 | 68 | 292 | 6,30 | 12 | 16 | 320 | 3 | 22 | M20 | 12 | 15,800 |
| 300 | 323,9 | 400 | 445 | 26 | 68 | 342 | 7,10 | 12 | 16 | 370 | 4 | 22 | M20 | 12 | 18,300 |
| 350 | 355,6 | 460 | 505 | 26 | 68 | 385 | 7,10 | 12 | 16 | 430 | 4 | 22 | M20 | 16 | 25,300 |
| 400 | 406,4 | 515 | 565 | 26 | 72 | 440 | 7,10 | 12 | 16 | 482 | 4 | 26 | M24 | 16 | 30,600 |
| 450 | 457,0 | 565 | 615 | 28 | 72 | 488 | 7,10 | 12 | 16 | 532 | 4 | 26 | M24 | 20 | 35,100 |
| 500 | 508,0 | 620 | 670 | 28 | 75 | 542 | 7,10 | 12 | 16 | 585 | 4 | 26 | M24 | 20 | 40,500 |
| 600 | 610,0 | 725 | 780 | 30 | 82 | 642 | 8,00 | 12 | 18 | 685 | 5 | 30 | M27 | 20 | 52,900 |
| 700 | 711,0 | 840 | 895 | 35 | 85 | 746 | 8,80 | 12 | 18 | 800 | 5 | 30 | M27 | 24 | 75,800 |
| 800 | 813,0 | 950 | 1015 | 38 | 96 | 850 | 8,80 | 12 | 18 | 905 | 5 | 33 | M30 | 24 | 102,000 |
| 900 | 914,0 | 1050 | 1115 | 38 | 99 | 950 | 12,50 | 12 | 20 | 1005 | 5 | 33 | M30 | 28 | 121,000 |
| 1000 | 1016,0 | 1160 | 1230 | 44 | 105 | 1052 | 12,50 | 16 | 20 | 1110 | 5 | 36 | M33 | 28 | 161,000 |
| 1200 | 1219,0 | 1380 | 1455 | 55 | 132 | 1256 | 12,50 | 16 | 25 | 1330 | 5 | 39 | M36 | 32 | 258,000 |
| 1400 | 1422,0 | 1590 | 1675 | 65 | 143 | 1460 | 14,20 | 16 | 25 | 1535 | 5 | 42 | M39 | 36 | 371,000 |
| 1600 | 1626,0 | 1820 | 1915 | 75 | 159 | 1666 | 16,00 | 16 | 25 | 1760 | 5 | 48 | M45 | 40 | 547,000 |
| 1800 | 1829,0 | 2020 | 2115 | 85 | 175 | 1868 | 17,50 | 16 | 30 | 1960 | 5 | 48 | M45 | 44 | 691,000 |
| 2000 | 2032,0 | 2230 | 2325 | 90 | 186 | 2072 | 17,50 | 16 | 30 | 2170 | 5 | 48 | M45 | 48 | 830,000 |
| 2200 | 2235,0 | 2440 | 2550 | 100 | 202 | 2275 | 20,00 | 18 | 35 | 2370 | 5 | 56 | M52 | 52 | 1.073,000 |
| 2400 | 2438,0 | 2650 | 2760 | 110 | 218 | 2478 | 22,20 | 18 | 35 | 2570 | 5 | 56 | M52 | 56 | 1.329,000 |
| 2600 | 2620,0 | 2850 | 2960 | 110 | 224 | 2680 | 25,00 | 18 | 40 | 2780 | 5 | 56 | M52 | 60 | 1.574,000 |
| 2800 | 2820,0 | 3070 | 3180 | 124 | 244 | 2882 | 25,00 | 18 | 40 | 3000 | 5 | 56 | M52 | 64 | 1.987,000 |
| 3000 | 3020,0 | 3290 | 3405 | 132 | 257 | 3085 | 32,00 | 18 | 45 | 3210 | 5 | 62 | M56 | 68 | 2.476,000 |
WN Flange PN 16
PN 16 weld neck flange dimensions (EN 1092-1 type 11) with stud metric bolts and nuts requirements (all sizes are in millimeters unless otherwise specified)

| DN | d1 | k | D | b | h1 | d3 | s | r | h2 | d4 | f | d2 | Thread | Bolt Holes | Weight (KG) |
|---|---|---|---|---|---|---|---|---|---|---|---|---|---|---|---|
| 15 | 21,3 | 65 | 95 | 16 | 38 | 32 | 2,00 | 4 | 6 | 45 | 2 | 14 | M12 | 4 | 0,678 |
| 20 | 26,9 | 75 | 105 | 18 | 40 | 40 | 2,30 | 4 | 6 | 58 | 2 | 14 | M12 | 4 | 0,768 |
| 25 | 33,7 | 85 | 115 | 18 | 40 | 46 | 2,60 | 4 | 6 | 68 | 2 | 14 | M12 | 4 | 1,090 |
| 32 | 42,4 | 100 | 140 | 18 | 42 | 56 | 2,60 | 6 | 6 | 78 | 2 | 18 | M16 | 4 | 1,300 |
| 40 | 48,3 | 110 | 150 | 18 | 45 | 64 | 2,60 | 6 | 7 | 88 | 3 | 18 | M16 | 4 | 1,910 |
| 50 | 60,3 | 125 | 165 | 18 | 45 | 74 | 2,9 | 6 | 8 | 102 | 3 | 18 | M16 | 4 | 2,530 |
| 65 | 76,1 | 145 | 185 | 18 | 45 | 92 | 2,9 | 6 | 10 | 122 | 3 | 18 | M16 | 4 | 3,030 |
| 80 | 88,9 | 160 | 200 | 20 | 50 | 105 | 3,2 | 6 | 10 | 138 | 3 | 18 | M16 | 8 | 3,920 |
| 100 | 114,3 | 180 | 220 | 20 | 52 | 131 | 3,6 | 8 | 12 | 158 | 3 | 18 | M16 | 8 | 4,620 |
| 125 | 139,7 | 210 | 250 | 22 | 55 | 156 | 4,0 | 8 | 12 | 188 | 3 | 18 | M16 | 8 | 6,300 |
| 150 | 168,3 | 240 | 285 | 22 | 55 | 184 | 4,5 | 10 | 12 | 212 | 3 | 22 | M20 | 8 | 7,810 |
| 200 | 219,1 | 295 | 340 | 24 | 62 | 235 | 6,30 | 10 | 16 | 268 | 3 | 22 | M20 | 12 | 11,500 |
| 250 | 273,0 | 355 | 405 | 26 | 70 | 292 | 6,30 | 12 | 16 | 320 | 3 | 26 | M24 | 12 | 16,700 |
| 300 | 323,9 | 410 | 460 | 28 | 78 | 344 | 7,10 | 12 | 16 | 378 | 4 | 26 | M24 | 12 | 22,100 |
| 350 | 355,6 | 470 | 520 | 30 | 82 | 390 | 8,00 | 12 | 16 | 438 | 4 | 26 | M24 | 16 | 32,800 |
| 400 | 406,4 | 525 | 580 | 32 | 85 | 445 | 8,00 | 12 | 16 | 490 | 4 | 30 | M27 | 16 | 41,100 |
| 450 | 457,0 | 585 | 640 | 34 | 83 | 490 | 8,00 | 12 | 16 | 550 | 4 | 30 | M27 | 20 | 48,500 |
| 500 | 508 | 650 | 715,0 | 36 | 84 | 548 | 8,0 | 12 | 16 | 610 | 4 | 33 | M30 | 20 | 63,400 |
| 600 | 610 | 770 | 840,0 | 40 | 88 | 670 | 10,0 | 12 | 18 | 725 | 5 | 36 | M33 | 20 | 96,000 |
| 700 | 711 | 840 | 910,0 | 40 | 104 | 755 | 10,0 | 12 | 18 | 795 | 5 | 36 | M33 | 24 | 96,500 |
| 800 | 813 | 950 | 1025,0 | 41 | 108 | 855 | 12,5 | 12 | 20 | 900 | 5 | 39 | M36 | 24 | 122,000 |
| 900 | 914 | 1050 | 1125,0 | 48 | 118 | 955 | 12,5 | 12 | 20 | 1000 | 5 | 39 | M36 | 28 | 155,000 |
| 1000 | 1016 | 1170 | 1255,0 | 59 | 137 | 1058 | 12,5 | 16 | 22 | 1115 | 5 | 42 | M39 | 28 | 233,000 |
| 1200 | 1219 | 1390 | 1485,0 | 78 | 160 | 1262 | 14,2 | 16 | 30 | 1330 | 5 | 48 | M45 | 32 | 390,000 |
| 1400 | 1422 | 1590 | 1685,0 | 84 | 177 | 1465 | 16,0 | 16 | 30 | 1530 | 5 | 48 | M45 | 36 | 495,000 |
| 1600 | 1626 | 1820 | 1930,0 | 102 | 204 | 1668 | 17,5 | 16 | 35 | 1750 | 5 | 56 | M52 | 40 | 760,000 |
| 1800 | 1829 | 2020 | 2130,0 | 110 | 218 | 1870 | 20,0 | 16 | 35 | 1950 | 5 | 56 | M52 | 44 | 929,000 |
| 2000 | 2032 | 2230 | 2345,0 | 124 | 238 | 2072 | 22,0 | 16 | 40 | 2150 | 5 | 62 | M56 | 48 | 1.185,000 |
WN Flange PN 25
PN 25 weld neck flange dimensions (EN 1092-1 type 11) with stud metric bolts and nuts requirements (all sizes are in millimeters unless otherwise specified)

| DN | d1 | k | D | b | h1 | d3 | s | r | h2 | d4 | f | d2 | Thread | Bolt Holes | Weight (KG) |
|---|---|---|---|---|---|---|---|---|---|---|---|---|---|---|---|
| 200 | 219,1 | 310 | 360 | 30 | 80 | 244 | 6,3 | 10 | 16 | 278 | 3 | 26 | M24 | 12 | 17,100 |
| 250 | 273 | 370 | 425 | 32 | 88 | 298 | 7,1 | 12 | 18 | 335 | 3 | 30 | M27 | 12 | 24,300 |
| 300 | 323,9 | 430 | 485 | 34 | 92 | 352 | 8,0 | 12 | 18 | 395 | 4 | 30 | M27 | 16 | 31,800 |
| 350 | 355,6 | 490 | 555 | 38 | 100 | 398 | 8,0 | 12 | 20 | 450 | 4 | 33 | M30 | 16 | 48,800 |
| 400 | 406,4 | 550 | 620 | 40 | 110 | 452 | 8,8 | 12 | 20 | 505 | 4 | 36 | M33 | 16 | 63,300 |
| 450 | 457 | 600 | 670 | 46 | 110 | 500 | 8,8 | 12 | 20 | 550 | 4 | 36 | M33 | 20 | 76,000 |
| 500 | 508 | 660 | 730 | 48 | 125 | 558 | 10,0 | 12 | 20 | 615 | 4 | 36 | M33 | 20 | 97,000 |
| 600 | 610 | 770 | 845 | 48 | 125 | 660 | 11,0 | 12 | 20 | 720 | 5 | 39 | M36 | 20 | 121,000 |
| 700 | 711 | 875 | 960 | 50 | 129 | 760 | 14,2 | 12 | 20 | 820 | 5 | 42 | M39 | 24 | 155,000 |
| 800 | 813 | 990 | 1085 | 53 | 138 | 864 | 16,0 | 12 | 22 | 930 | 5 | 48 | M45 | 24 | 205,000 |
| 900 | 914 | 1090 | 1185 | 57 | 148 | 968 | 17,5 | 12 | 24 | 1030 | 5 | 48 | M45 | 28 | 249,000 |
| 1000 | 1016 | 1210 | 1320 | 63 | 160 | 1070 | 20,0 | 16 | 24 | 1140 | 5 | 56 | M52 | 28 | 338,000 |
WN Flange PN 40
PN 40 weld neck flange dimensions (EN 1092-1 type 11) with stud metric bolts and nuts requirements (all sizes are in millimeters unless otherwise specified)

| DN | d1 | k | D | b | h1 | d3 | s | r | h2 | d4 | f | d2 | Thread | Bolt Holes | Weight (KG) |
|---|---|---|---|---|---|---|---|---|---|---|---|---|---|---|---|
| 15 | 21,3 | 65 | 95 | 16 | 38 | 32 | 2,00 | 4 | 6 | 45 | 2 | 14 | M12 | 4 | 0,768 |
| 20 | 26,9 | 75 | 105 | 18 | 40 | 40 | 2,30 | 4 | 6 | 58 | 2 | 14 | M12 | 4 | 1,090 |
| 25 | 33,7 | 85 | 115 | 18 | 40 | 46 | 2,60 | 4 | 6 | 68 | 2 | 14 | M12 | 4 | 1,300 |
| 32 | 42,4 | 100 | 140 | 18 | 42 | 56 | 2,60 | 6 | 6 | 78 | 2 | 18 | M16 | 4 | 1,910 |
| 40 | 48,3 | 110 | 150 | 18 | 45 | 64 | 2,60 | 6 | 7 | 88 | 3 | 18 | M16 | 4 | 2,150 |
| 50 | 60,3 | 125 | 165 | 20 | 48 | 75 | 2,90 | 6 | 8 | 102 | 3 | 18 | M16 | 4 | 2,850 |
| 65 | 76,1 | 145 | 185 | 22 | 52 | 90 | 2,90 | 6 | 10 | 122 | 3 | 18 | M16 | 8 | 3,680 |
| 80 | 88,9 | 160 | 200 | 24 | 58 | 105 | 3,20 | 8 | 12 | 138 | 3 | 18 | M16 | 8 | 4,780 |
| 100 | 114,3 | 190 | 235 | 24 | 65 | 134 | 3,60 | 8 | 12 | 162 | 3 | 22 | M20 | 8 | 6,460 |
| 125 | 139,7 | 220 | 270 | 26 | 68 | 162 | 4,00 | 8 | 12 | 188 | 3 | 26 | M24 | 8 | 8,860 |
| 150 | 168,3 | 250 | 300 | 28 | 75 | 192 | 4,50 | 10 | 12 | 218 | 3 | 26 | M24 | 8 | 11,700 |
| 200 | 219,1 | 320 | 375 | 34 | 88 | 244 | 6,30 | 10 | 16 | 285 | 3 | 30 | M27 | 12 | 21,000 |
| 250 | 273,0 | 385 | 450 | 38 | 105 | 306 | 7,10 | 12 | 18 | 345 | 3 | 33 | M30 | 12 | 34,200 |
| 300 | 323,9 | 450 | 515 | 42 | 115 | 362 | 8,00 | 12 | 18 | 410 | 4 | 33 | M30 | 16 | 47,600 |
| 350 | 355,6 | 510 | 580 | 46 | 125 | 408 | 8,80 | 12 | 20 | 465 | 4 | 36 | M33 | 16 | 69,300 |
| 400 | 406,4 | 585 | 660 | 50 | 135 | 462 | 11,00 | 12 | 20 | 535 | 4 | 39 | M36 | 16 | 98,000 |
| 450 | 457,0 | 610 | 685 | 57 | 135 | 500 | 12,50 | 12 | 20 | 560 | 4 | 39 | M36 | 20 | 105,000 |
| 500 | 508,0 | 670 | 755 | 57 | 140 | 562 | 14,20 | 12 | 20 | 615 | 4 | 42 | M39 | 20 | 130,000 |
| 600 | 610,0 | 795 | 890 | 72 | 150 | 666 | 16,00 | 12 | 20 | 735 | 5 | 48 | M45 | 20 | 209,000 |
Tolerance EN1092-1 WN Flanges
EN 1092-1 specifies dimensional tolerances for circular steel flanges from DN 10 to DN 4000 and PN 2.5 to PN 400. Tolerance values vary by flange size (DN), pressure class (PN), and flange type. The full tolerance tables are published in the EN 1092-1 standard document.
Below are the main tolerance categories applicable to weld neck flanges (Type 11):
Diameter of Bolt Circle (P):
Tolerance values ensure that bolt holes align correctly with mating flanges for proper bolting without strain.
Diameter of Bolt Holes (D):
Bolt holes are slightly larger than the nominal bolt size to accommodate variations in bolt size and allow for easier assembly.
Flange Thickness (C):
Flange thickness tolerances account for manufacturing variations while maintaining the required pressure capacity.
Outside Diameter of Flange (D):
This tolerance ensures the flange fits within mating equipment or pipework, accounting for manufacturing variations.
Flange Hub Diameter at Base and Length (E and F):
These tolerances control the fit between flange and pipe. For weld neck flanges, a smooth hub-to-pipe transition is required to avoid turbulence and stress concentrations.
Bore Diameter (B):
The bore must match the pipe inside diameter to maintain a smooth flow path and proper alignment.
For specific tolerance values, refer to the tables and annexes of the EN 1092-1 standard. Values vary across sizes and pressure classes. The full standard document is available through national standards organizations (e.g., BSI, DIN, AFNOR).
Leave a Comment
Have a question or feedback? Send us a message.
Previous Comments
PN 40 DN 700 NO OF BOLT 24 d2 -36 D-900 PDC/K????????????????????????????